|

|
Week 1:
|
|
|
|
Commencing 14th September
2004
|
|
|
14-09-04
|
I was given an assignment to
design and build and electronic device, and then do a presentation
about it. I chose to make an electronic people counter to count
the number of people that enter a room. The device must have a
digital display and two beams that must be broken in order for
the counter to work.
A timescale was set stating the
dates that specific stages must be complete, these were as follows:
|
14-09-04
|
Project decided
|
|
19-10-04
|
Research completed and
parts ordered
|
|
07-12-04
|
Project simulated on “electronic
workbench”, circuit diagrams complete, and brief started.
|
|
08-02-05
|
Prototype built and fault
found
|
|
05-04-05
|
Project built and working
|
|
04-05-05
|
Presentation. Hand in write
up.
|
|
|
18-09-04
|
I have posted a question to an
electronics forum on the internet, to ask if anyone had ideas
on how to make the counter work when beam 1 then beam 2 is broken,
and not the other way round. I have had suggestions of writing
a simple program for a PIC, or logic gates.
|
| |
|
| |
|
|
|
|
|
|

|
Week 2:
|
|
|
|
Commencing 21st September
2004
|
|
|
21-09-04
|
Research ideas on the internet
of possible counter systems. I have found a 4½ Digit counter that
will count up to 19999. There are also complete counters with
the LCD display included, with a maximum count of 99999.
|
|
25-09-04
|
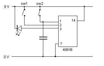
Designed a trial section of the
circuit and purchased components to make it. I am experimenting
using a capacitor to create a time delay. When beam 1 is broken
the capacitor will charge up. When beam 2 is broken the charge
from the capacitor, plus the power from beam 2, will make both
inputs on the AND gate go high, giving an output to the LED. This
will not work when the person walks through the beams the other
way, as input 2 will not be high when beam 1 is broken.
(The LED is just used for reference,
and pin 3 will be connected to the counter input in the finished
product.)
|
|
26-09-04
|
Made the circuit as in the diagram.
It didn’t work as I expected, the LED was on whether the switches
were closed or not.

|
|
27-09-04
|
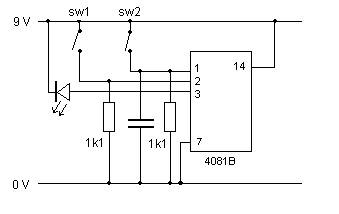
I discussed my findings with
the technicians at work and concluded that the inputs were floating.
To cure this I decided to add resistors to the circuit.

|
|
|
|
|
|

|
Week 3:
|
|
|
|
Commencing 28th September
2004
|
|
|
28-09-04
|
Tried different value capacitors, to get a suitable
time delay. This resulted in using two 470µF in parallel.
|
|
30-09-04
|
|
| |
|
| |
|
|
|
|
|
|

|
Week 4:
|
|
|
|
Commencing 5th October
2004
|
|
|
5-10-04
|
Researched existing people counting
products available. There is a wide variety available, including
those that can be connected to a PC to download the data, or have
heat sensing technology enabling them to do a head count.
|
|
6-10-04
|
Purchased and assembled an Infrared
Beam Breaker kit, to understand how the beam breaker circuit would
work. I found that the transmitter did not send a signal in a
direct straight line, but could be detected by up to 30cm either
side at full range (4metres). I modified the circuit by putting
a tube over the transmitter LED’s, enabling two transmitter/ receivers
to be placed closer together.
|
| |
|
|
|
|
|
|

|
Week 5:
|
|
|
|
Commencing 12th October
2004
|
|
|
12-10-04
|
I created a parts list for infra
red receiver section of the circuit. . I then designed the board
layout.
|
| |
|
| |
|
|
|
|
|
|

|
Week 6:
|
|
|
|
Commencing 19th October
2004
|
|
|
19-10-04
|
I found the parts required for
the receiver circuit in the college spares store. I then laid
out the circuit on the veroboard as shown in my diagram, and soldered
in the parts.
I ordered an LCD display and
a bi-colour (red and green) backlight from Farnell.
|
| |
(diagram/ photo)
|
| |
|
|
|
|
|
|

|
Week 7:
|
|
|
|
Commencing 2nd November
2004
|
|
|
2-11-04
|
I created a parts list for infra
red transmitter section of the circuit. I then designed the veroboard
layout.
|
| |
|
| |
|
|
|
|
|
|

|
Week 8:
|
|
|
|
Commencing 9th November
2004
|
|
|
9-11-04
|
No project work.
|
| |
|
| |
|
|
|
|
|
|

|
Week 9:
|
|
|
|
Commencing 16th November
2004
|
|
|
16-11-04
|
I created one of the receiver
circuits for the infra red beam detector, on Veroboard. I sourced
the Veroboard and PP3 battery connectors from work and the capacitors,
resistors, transistors, LED and links from college.
The circuit didn’t work correctly
on first attempt. The LED was permanently lit, suggesting that
the beam was broken, even when it wasn’t. I will start to fault
find the circuit next week.
|
| |
|
| |
|
|
|
|
|
|

|
Week 10:
|
|
|
|
Commencing 22nd November
2004
|
|
|
22-11-04
|
The problem with the receiver
part of the second beam was that the LED is permanently lit. The
LED should only light when the beam is broken. As there are two
circuits the same (one for each beam) with one working correctly,
I was able to make a comparison of the voltages at certain points.
Starting from the input, I was
able to use the split-half technique.
|
|
|
Test Applied
|
Results
|
Conclusions
|
|
DC voltage
check supply rails
|
Expected 9V
Found 9V
|
Fault lies
between output and input
|
|
DC voltage
check junction R8 and C3
|
Expect 7.05V
Found 7.05V
|
Fault lies
between junction R8 and C3 and input
|
|
DC voltage
check junction C2 and R5
|
|
|
|
DC voltage
check junction R3, R1 and T1
|
|
|
| |
|
|

|
Week 11:
|
|
|
|
Commencing 30th November
2004
|
|
|
30-11-04
|
|
| |
|
| |
|
|
|
|
|
|

|
Week 12:
|
|
|
|
Commencing 7th December
2004
|
|
|
7-11-04
|
Work training course.
|
| |
|
| |
|
|
|
|
|
|

|
Week 13:
|
|
|
|
Commencing 14th December
2004
|
|
|
11-01-05
|
LCD display and backlight arrived.
The backlight is divided up into several segments. There are six
red LEDs on one side and six green on the other (one pair for each
segment of the LCD display.) I tested the backlight to check that
all of the LEDs were working correctly, which they were.
|
| |
|
| |
|
|
|
|
|
|